ꘛ
返回工控猫首页
꘧
Ꞡ
搜索
我的购物车
0
快速询价
搜索
我的购物车
0
快速询价
全部商品分类
SMC气动品牌月
限时特惠
积分商城
专业选型
产品选型
电气柜选型
快速下单
智能选型
首页
>
气动、液压
>
气动执行元件
>
滑台气缸
>
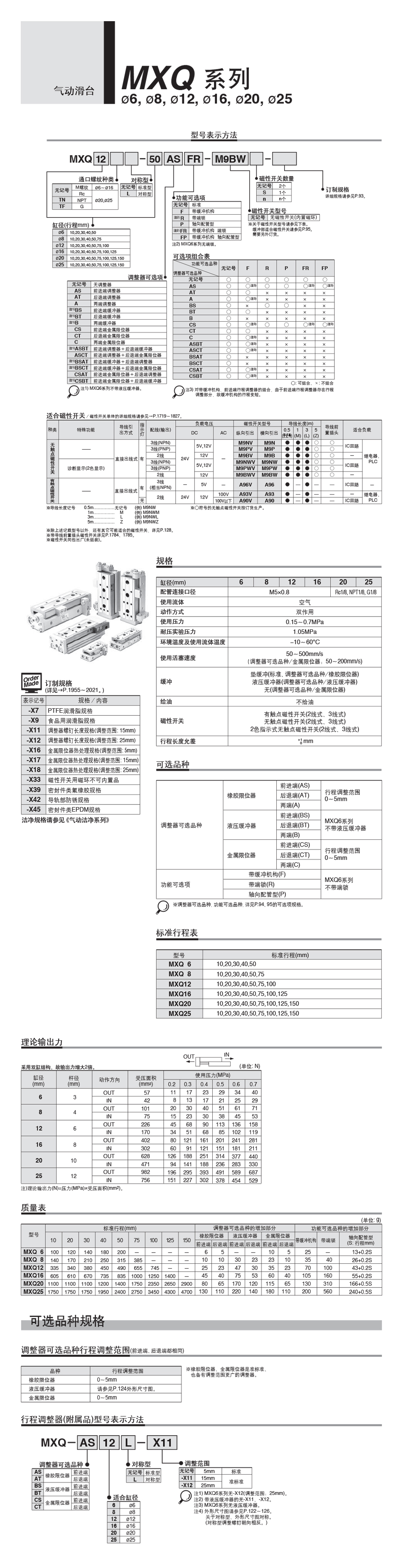
SMC MXQ 气动滑台
切换产品
SMC > MXQ > MXQ MXQ 气动滑台
产品价格
其他型号
产品图片仅供参考,以右边产品信息为准。
手机查看
SMC MXQ 气动滑台
促销价
:
市场价
:
¥
664.00
/个
促 销
:
优惠券
:
更多
订货号
:
MXQ-BS16
型号
:
MXQ-BS16
品牌
SMC
系列
MXQ
品类
滑台气缸
包装规格
-
渠道
:
配送至
:
总库存
: -
货期参考
:
发货渠道
库存数
单价
渠道发货数
发货时间
-
支付方式
:
微信支付
支付宝支付
对公付款
售后政策
:
下单后不支持退货或取消订货(含现货/期货)
政策详情
去询价
加入货架
温 馨 提 示:部分仓库有起购量要求,已为您推荐了适合的购买数量,
查看起购量要求
渠道
发货仓
包装量
起购量
选择参数规格
规格参数筛选
清空筛选
产品信息
参数
库存
促销价
渠道/对应数量/货期时效
数量
加入货架
加入购物车
立即购买
总价
¥
00.00
已选择
0
种商品,共
0
件
产品详情
规格参数
资料下载
MXQ.pdf
下载